Home
Forums
New posts
Search forums
What's new
New posts
Latest activity
Advertising
Mailing Lists
Log in
Register
What's new
Search
Search
Search first posts only
Search titles only
By:
Word Count:
New posts
Latest activity
Menu
Log in
Register
Install the app
Install
Home
What's new
JavaScript is disabled. For a better experience, please enable JavaScript in your browser before proceeding.
You are using an out of date browser. It may not display this or other websites correctly.
You should upgrade or use an
alternative browser
.
Latest activity
What's new
New posts
Latest activity
Roxasuras
reacted to
The Hiking Viking's post
in the thread
Is a stronger battery needed for adding a winch?
with
Like
.
Thanks guys. I’ll check them out.
Sep 20, 2025
The Hiking Viking
replied to the thread
Is a stronger battery needed for adding a winch?
.
Thanks guys. I’ll check them out.
Sep 20, 2025
The Hiking Viking
reacted to
Colderweather86's post
in the thread
Is a stronger battery needed for adding a winch?
with
Like
.
A group 34 battery will fit. So the biggest group 34 in terms of Cranking Amps. I have an X2 in mine but it is mounted under the seat...
Sep 20, 2025
The Hiking Viking
reacted to
Roxasuras's post
in the thread
Is a stronger battery needed for adding a winch?
with
Like
.
I would say if you wheel a lot, maybe consider optima gel
Sep 20, 2025
USMC
replied to the thread
Digital Fuel gauge blinking
.
Sep 20, 2025
USMC
replied to the thread
Digital Fuel gauge blinking
.
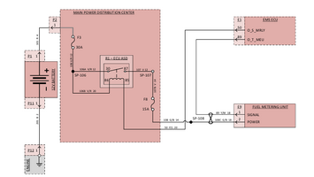
It sounds like you may have a loose ground on the fuel delivery system, or the Fuel metering unit signal wire is loose.
Sep 20, 2025
Roxasuras
replied to the thread
Is a stronger battery needed for adding a winch?
.
I would say if you wheel a lot, maybe consider optima gel
Sep 20, 2025
Colderweather86
replied to the thread
Is a stronger battery needed for adding a winch?
.
A group 34 battery will fit. So the biggest group 34 in terms of Cranking Amps. I have an X2 in mine but it is mounted under the seat...
Sep 20, 2025
The Hiking Viking
replied to the thread
Is a stronger battery needed for adding a winch?
.
Looking at the extra space in the battery tray, I can obviously fit a much larger battery than the one that came in it from the...
Sep 20, 2025
J
jud
reacted to
Bob R1's post
in the thread
Is a stronger battery needed for adding a winch?
with
Like
.
I also am using the stock battery until it quits. No problem so far. I got my winch mounting plate from Diesel Freak. I am using a...
Sep 20, 2025
J
jud
replied to the thread
2019 Mahindra Roxor $14,750 Stage 2 Gilomen Tune
.
is it still available
Sep 20, 2025
D
drh1965
posted the thread
Digital Fuel gauge blinking
in
ROXOR Issues And Problems
.
I've got a 22 with the digital gauge cluster. The fuel gauge has started blinking continously like there is some fault. I can't find...
Sep 20, 2025
T
Takotnariver1958
reacted to
BIG RED's post
in the thread
DEAD ROXOR
with
Like
.
Check check check your fuses even if they appear good. I had a 'good' fuse that even tested fine BUT WAS NOT GOOD. I replaced all my...
Sep 20, 2025
J
jud
replied to the thread
2018 for sale
.
How much?
Sep 19, 2025
The Hiking Viking
reacted to
Colderweather86's post
in the thread
Is a stronger battery needed for adding a winch?
with
Like
.
A winch with a load on it will draw the stock battery down to 8v. The small alternator cannot keep up with it. When the roxor was...
Sep 19, 2025
Home
What's new
Top